PRODOTTO

Ripetibilità: ±0,01 mm
Carico orizzontale: 200 kg
Carico verticale: 65 kg
Velocità massima: 1250 mm/s
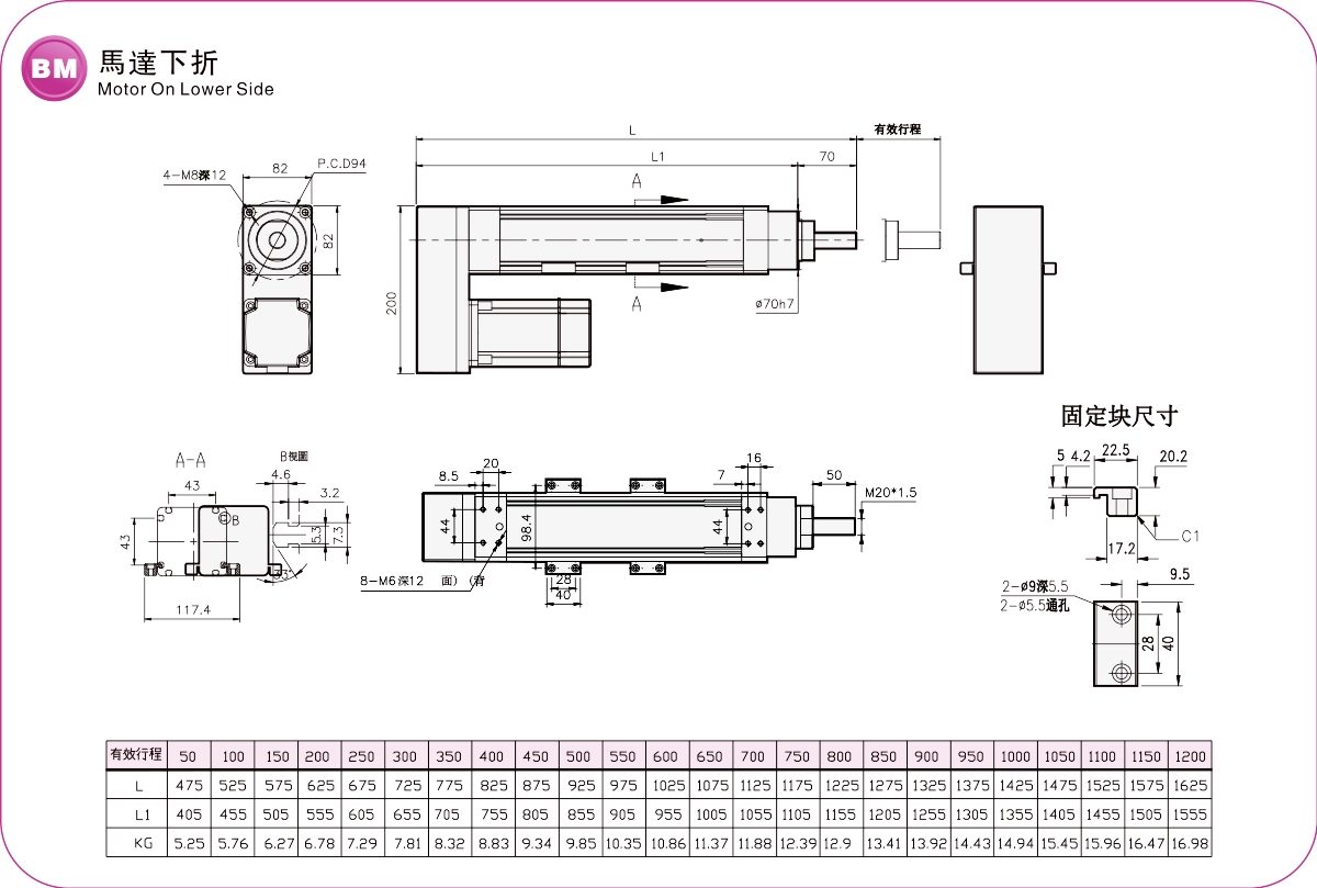
Corsa: 50-1200 mm
Impostare l'accelerazione e la decelerazione del motore a 0,2 secondi.
Le specifiche standard non sono applicabili all'utilizzo di gru a ribaltamento. Per qualsiasi esigenza particolare, vi preghiamo di contattarci telefonicamente o di lasciare un messaggio online.
Tempi di consegna: 7-10 giorni




| Specifiche | Ripetibilità (mm) | ±0,01 | |||
| Piombo (mm) | 5 | 10 | 25 | ||
| Velocità massima (mm/s) | 250 | 500 | 1250 | ||
| Carico utile massimo | Orizzontale (kg) | 200 | 180 | 138 | |
| Verticale (kg) | 65 | 55 | 25 | ||
| Spinta nominale (N) | 2520 | 1260 | 504 | ||
| Passo della corsa (mm) | 50-1200mm/50Passo | ||||
| Potenza in uscita del servomotore CA (W) | 750W | ||||
| Parti | Vite a ricircolo di sfere Ø(mm) | C7Ø25 | |||
| Giunto (mm) | 17X19 | ||||
| Sensore domestico | Al di fuori | CS-6T | |||


| Utilizzare dove | Modalità guidata | Specifiche del modello | Potenza del motore (W) | Larghezza (mm) | Ripetibilità (mm) | Specifiche della vite a ricircolo di sfere | Carico utile massimo (kg) | Velocità massima (mm/s) *1 | ||
|---|---|---|---|---|---|---|---|---|---|---|
| Diametro esterno (mm) | Piombo (mm) | Orizzontale | Verticale | |||||||
| Ambiente standard | Vite a ricircolo di sfere | CE 50 | 100W | 52 | ±0,01 | 12 | 5 | 30 | 12 | 250 |
| 10 | 15 | 5 | 500 | |||||||
| EC 50L | 100W | 52 | ±0,01 | 12 | 5 | 50 | 15 | 250 | ||
| 10 | 30 | 8 | 500 | |||||||
| EC 50T | 100W | 52 | ±0,01 | 12 | 5 | 50 | 15 | 250 | ||
| 10 | 30 | 8 | 500 | |||||||
| CE 65 | 400W | 65 | ±0,01 | 16 | 5 | 110 | 33 | 250 | ||
| 10 | 88 | 22 | 500 | |||||||
| 16 | 48 | 10 | 800 | |||||||
| 20 | 40 | 8 | 100 | |||||||
| EC 65L | 400W | 65 | ±0,01 | 16 | 5 | 110 | 33 | 250 | ||
| 10 | 88 | 22 | 500 | |||||||
| 16 | 48 | 10 | 800 | |||||||
| 20 | 40 | 8 | 100 | |||||||
| EC 65T | 400W | 65 | ±0,01 | 16 | 5 | 110 | 33 | 250 | ||
| 10 | 88 | 22 | 500 | |||||||
| 16 | 48 | 10 | 800 | |||||||
| 20 | 40 | 8 | 100 | |||||||
| CE 80 | 700W | 80 | ±0,01 | 25 | 5 | 200 | 65 | 250 | ||
| 10 | 180 | 55 | 500 | |||||||
| 25 | 138 | 25 | 1000 | |||||||
| EC 80T | 700W | 80 | ±0,01 | 25 | 5 | 200 | 65 | 250 | ||
| 10 | 180 | 55 | 500 | |||||||
| 25 | 138 | 25 | 1000 | |||||||





