Posizione attuale:Casa > Prodotto > Attuatore per camera bianca > Serie RMD > RMD17 > Connessione diretta 
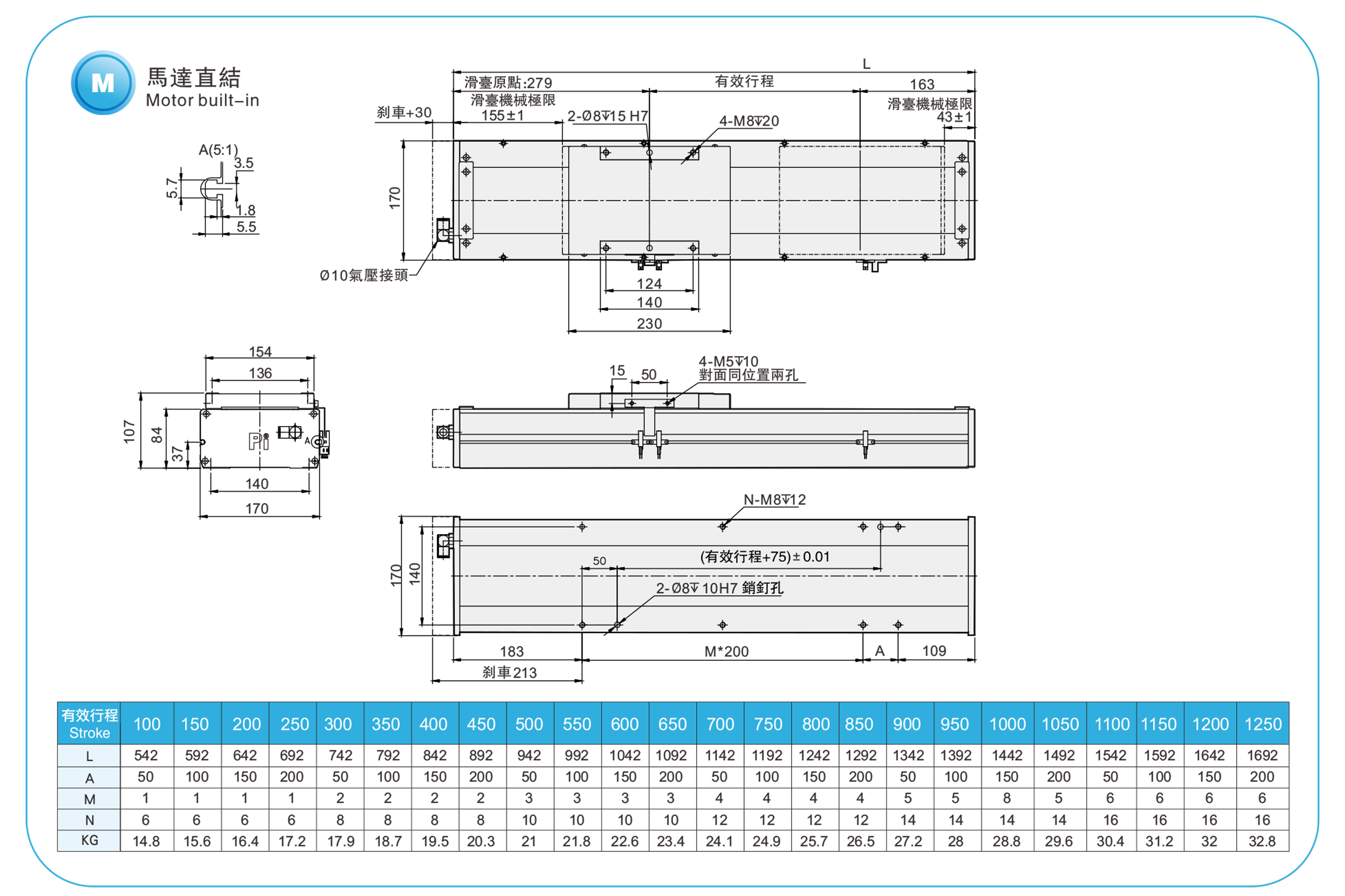
Ripetibilità: ±0,01 mm
Carico orizzontale: 120 kg
Carico verticale: 50 kg
Velocità massima: 2000 mm/s
Corsa del pistone: 100-1250 mm
Impostare l'accelerazione e la decelerazione del motore a 0,2 secondi.
Le specifiche standard non sono applicabili all'utilizzo di gru a ribaltamento. Per qualsiasi esigenza particolare, vi preghiamo di contattarci telefonicamente o di lasciare un messaggio online.
Tempi di consegna: 7-10 giorni






| Specifiche | Ripetibilità (mm) | ±0,01 | ||||
| Passo della vite a ricircolo di sfere (mm) | 5 | 10 | 20 | 40 | ||
| Velocità massima (mm/s) | 250 | 500 | 1000 | 2000 | ||
| Carico utile massimo | Orizzontale (kg) | 120 | 110 | 75 | 22 | |
| Verticale (kg) | 40 | 30 | 14 | 7 | ||
| Spinta nominale (N) | 1388 | 694 | 347 | 174 | ||
| Passo della corsa (mm) | Passo 100-1250 mm/50 mm | |||||
| Parti | Potenza del servomotore CA (W) | 400W | ||||
| Vite a ricircolo di sfere Ø (mm) | C7Ø20 | |||||
| Guida lineare ad alta rigidità (mm) | W20XH15 | |||||
| Giunto (mm) | 12X14 | |||||
| Sensore domestico | Al di fuori | EE-SX672 (NPN) | ||||
| Integrato | EE-SX674 (NPN) | |||||


| Installazione orizzontale | UN | B | C | |
| Lead5 | 70 kg | 3235 | 349 | 408 |
| 90 kg | 2482 | 263 | 306 | |
| 120 kg | 1850 | 187 | 217 | |
| Lead10 | 65 kg | 1911 | 338 | 373 |
| 85 kg | 1445 | 248 | 276 | |
| 110 kg | 1102 | 182 | 202 | |
| Lead20 | 35 kg | 1666 | 547 | 538 |
| 55 kg | 1030 | 331 | 328 | |
| 75 kg | 733 | 231 | 230 | |
| Lead40 | 15 kg | 1126 | 740 | 577 |
| 22 kg | 755 | 490 | 384 | |
| - | - | - | - | |

| Installazione a parete | UN | B | C | |
| Lead5 | 75 kg | 377 | 322 | 2988 |
| 95 kg | 288 | 246 | 2333 | |
| 120 kg | 218 | 187 | 1850 | |
| Lead10 | 60 kg | 408 | 368 | 2092 |
| 80 kg | 296 | 266 | 1554 | |
| 110 kg | 202 | 182 | 1102 | |
| Lead20 | 30 kg | 633 | 644 | 1961 |
| 50 kg | 365 | 369 | 1143 | |
| 75 kg | 230 | 231 | 733 | |
| Lead40 | 12 kg | 729 | 936 | 1417 |
| 22 kg | 384 | 491 | 755 | |
| - | - | - | - | |

| Installazione verticale | UN | C | |
| Lead5 | 20 kg | 1368 | 1368 |
| 30 kg | 911 | 911 | |
| 40 kg | 683 | 683 | |
| Lead10 | 15 kg | 1618 | 618 |
| 25 kg | 970 | 970 | |
| 30 kg | 808 | 808 | |
| Lead20 | 10 kg | 1922 | 1922 |
| 14 kg | 1377 | 1377 | |
| - | - | - | |
| Lead40 | 4 kg | 2377 | 2377 |
| 7 kg | 1356 | 1356 | |
| - | - | - | |

| MIO | 1032 |
| MP | 1034 |
| SIG | 908 |
| Utilizzare dove | Modalità guidata | Specifiche del modello | Uscita motore (w) | Larghezza (mm) | Ripetibilità (mm) | Specifiche della vite a ricircolo di sfere | Carico utile massimo (kg) | Velocità massima (mm/s) *1 | ||
|---|---|---|---|---|---|---|---|---|---|---|
| Diametro esterno (mm) | Piombo (mm) | Orizzontale | Verticale | |||||||
| Ambiente standard | Vite a ricircolo di sfere | RMD12 | 100W | 102 | ±0,01 | 16 | 5 | 50 | 12 | 250 |
| 10 | 30 | 8 | 500 | |||||||
| 20 | 18 | 3 | 1000 | |||||||
| 32 | 5 | - | 1600 | |||||||
| 200W | 102 | ±0,01 | 16 | 5 | 50 | 12 | 250 | |||
| 10 | 30 | 8 | 500 | |||||||
| 20 | 18 | 3 | 1000 | |||||||
| 32 | 5 | - | 1600 | |||||||
| RMD14 | 200W | 135 | ±0,01 | 16 | 5 | 95 | 27 | 250 | ||
| 10 | 75 | 18 | 500 | |||||||
| 20 | 35 | 7 | 1000 | |||||||
| 32 | 15 | - | 1600 | |||||||
| 400W | 135 | ±0,01 | 16 | 5 | 110 | 33 | 250 | |||
| 10 | 88 | 22 | 500 | |||||||
| 20 | 40 | 10 | 1000 | |||||||
| 32 | 30 | 8 | 1600 | |||||||
| RMD17 | 400W | 170 | ±0,01 | 20 | 5 | 120 | 40 | 250 | ||
| 10 | 110 | 30 | 500 | |||||||
| 20 | 75 | 14 | 1000 | |||||||
| 40 | 22 | 7 | 2000 | |||||||
| 750W | 170 | ±0,01 | 20 | 5 | 120 | 50 | 250 | |||
| 10 | 120 | 40 | 500 | |||||||
| 20 | 83 | 25 | 1000 | |||||||
| 40 | 43 | 12 | 2000 | |||||||
| RMD22 | 750W | 220 | ±0,01 | 25 | 5 | 150 | 55 | 250 | ||
| 10 | 150 | 45 | 500 | |||||||
| 25 | 105 | 20 | 1250 | |||||||
| 20 | 40 | 43 | 12 | 2000 | ||||||
| RMD28 | 1500W | 280 | ±0,01 | 32 | 10 | 320 | 150 | 500 | ||
| 20 | 180 | 75 | 1000 | |||||||
| 32 | 75 | 35 | 1600 | |||||||
* La velocità massima si basa sul numero di giri massimo del servomotore (3000). La velocità massima si basa sul numero di giri massimo del motore passo-passo (500).





