PRODOTTO
Posizione attuale:Casa > Prodotto > Attuatore a cinghia standard > Serie MKR > MKR110 > Motore lato sinistro 
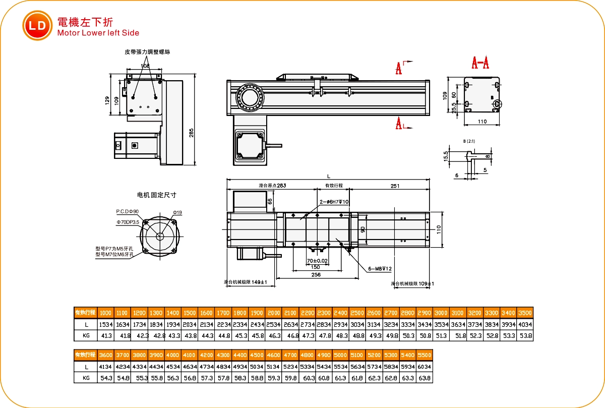
Ripetibilità: ±0,1 mm
Carico orizzontale: 200 kg
Passo: 280 mm
Velocità massima: 1400 mm/s
Corsa del pistone: 100-5500 mm
Impostare l'accelerazione e la decelerazione del motore a 0,2 secondi.
Le specifiche standard non sono applicabili all'utilizzo di gru a ribaltamento. Per qualsiasi esigenza particolare, vi preghiamo di contattarci telefonicamente o di lasciare un messaggio online.
Tempi di consegna: 7-10 giorni





| Specifiche | Ripetibilità (mm) | ±0,1 | ||||||
| Piombo (mm) | 200 | |||||||
| Rapporto di riduzione | 10:1 | 15:1 | 20:1 | |||||
| Velocità massima (mm/s) | 1400 | 933 | 700 | |||||
| Carico utile massimo | Orizzontale (kg) | 100 | 150 | 200 | ||||
| Verticale (kg) | 23 | 36 | 50 | |||||
| Spinta nominale (N) | 517 | 774 | 1034 | |||||
| Passo della corsa (mm) | Passo 100-5500 mm/100 mm | |||||||
| Parti | Potenza del servomotore CA (W) | 750W | ||||||
| Larghezza della sfera (mm) | 50 | |||||||
| Guida lineare ad alta rigidità (mm) | W23XH19 | |||||||
| Sensore domestico | Al di fuori | EE-SX672 (NPN) | ||||||


| Installazione orizzontale | UN | B | C | |
| 10 : 1 | 60 kg | 1110 | 195 | 25 |
| 80 kg | 750 | 126 | 16 | |
| 100 kg | 550 | 85 | 11 | |
| 15:1 | 90 kg | 1400 | 160 | 20 |
| 120 kg | 940 | 100 | 13 | |
| 150 kg | 650 | 63 | 8 | |
| 20:1 | 120 kg | 1400 | 115 | 15 |
| 160 kg | 900 | 65 | 8 | |
| 200 kg | 550 | 35 | 5 | |

| Installazione a parete | UN | B | C | |
| 10 : 1 | 60 kg | 25 | 195 | 1110 |
| 80 kg | 16 | 126 | 750 | |
| 100 kg | 11 | 85 | 550 | |
| 15:1 | 90 kg | 20 | 160 | 1400 |
| 120 kg | 13 | 100 | 940 | |
| 150 kg | 8 | 63 | 650 | |
| 20:1 | 120 kg | 15 | 115 | 1400 |
| 160 kg | 8 | 65 | 900 | |
| 200 kg | 5 | 35 | 550 | |

| Installazione verticale | UN | C | |
| 10 : 1 | 12 kg | 1300 | 1300 |
| 18 kg | 870 | 870 | |
| 23 kg | 680 | 680 | |
| 15:1 | 14 kg | 1480 | 1480 |
| 25 kg | 830 | 830 | |
| 36 kg | 575 | 575 | |
| 20:1 | 30 kg | 750 | 750 |
| 40 kg | 560 | 560 | |
| 50 kg | 450 | 450 | |

| MIO | 1479.3 |
| MP | 1479.3 |
| SIG | 189,7 |
| Utilizzare dove | Modalità guidata | Specifiche del modello | Meccanismo di riduzione | Uscita motore (w) | Larghezza (mm) | Ripetibilità (mm) | Beltspe | Carico utile massimo (kg) | Velocità massima (mm/s) *1 | ||
|---|---|---|---|---|---|---|---|---|---|---|---|
| Larghezza della cinghia (mm) | Piombo (mm) | Orizzontale | Verticale | ||||||||
| Standard | Cinghia di distribuzione | MKR40 | SÌ | 100W | 40 | ±0,1 | 15 | 90 | 8 | 2 | 4500 |
| MKR65 | SÌ | 400W | 65 | ±0,1 | 30 | 130 | 60 | 17 | 5000 | ||
| MKR80 | SÌ | 750W | 80 | ±0,1 | 35 | 200 | 100 | 24 | 5000 | ||
| MKR110 | SÌ | 750W/1000 | 110 | ±0,1 | 50 | 280 | 200 | 50 | 5000 | ||
| OBB65 | SÌ | 400W | 65 | ±0,1 | 30 | 110 | 25 | 6 | 5000 | ||








